TUCSON(LM) >2010 > G 2.0 DOHC > Body Electrical System > Indicators And Gauges > Instrument Cluster>Schematic Diagrams  
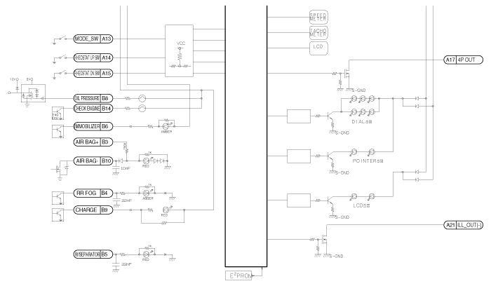
Circuit Diagram

Massage Flow Diagram