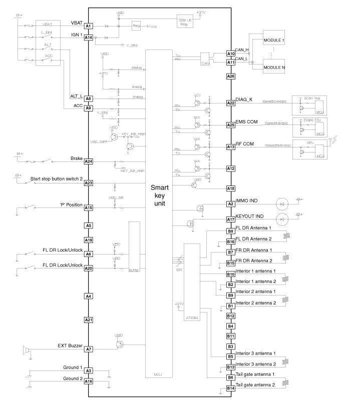
TUCSON(LM) >2012 > G 2.0 DOHC > Body Electrical System > Smart key System > Smart key unit>Schematic Diagrams  
Circuit Diagtam