SJB (Smart Junction Box)
1. |
Specification
Item
|
Requirement
|
Remark
|
Rated voltage
|
DC
12V
|
|
Voltage range
|
DC
8 ~ 16V
|
Normal operating in this range
|
Storage temperature
|
-40°C ~ +95°C
|
|
Operating temperature
|
-30°C ~ +85°C
|
|
Operating humidity
|
85%
|
PCB, Damp proofing, Coating, etc.
|
Dark current
|
Max. 200uA
|
All
Load Open
|
Operation Voltage Range
|
DC
8 ~ 16V
|
Should activate normally in normal
range
|
Max
Use Humidity
|
85%
|
Regulated together with parts needing insulation
such as PCB, damp-proofing, coating, etc
|
Insulation Resistance
|
Should be no ignition caused by electrical
shorts
|
|
|
2. |
Rated Burden
Item
|
Rated
Burden
|
Head
Lamp Low LH
|
55W
|
Head
Lamp Low RH
|
55W
|
Head
Lamp High LH
|
60W
(Max)
|
Head
Lamp High RH
|
60W
(Max)
|
Tail
Lamp LH
|
41W(Max)
|
Tail
Lamp RH
|
31W(Max)
|
Front
Fog Lamp LH+RH
|
54W
|
Interior Lamp
|
45W
|
B/Alarm Start Relay Coil Control
|
0.9W
|
RR FOG
Relay Coil Control
|
0.6W
|
Tail
Gate Latch or Luggage Room Lamp (Power Tail Gate) Relay Coil
Control
|
0.6W
|
Back
Up Relay Coil Control
|
0.45W
|
RR
Wiper Relay Coil Control (External)
|
12W
(Output Max)
|
B/Alarm Horn Relay Coil Control
(External)
|
12W
(Output Max)
|
RR.HTD
Relay Coil Control (External)
|
12W
(Output Max)
|
Front
Deicer Relay Coil Control (External)
|
12W
(Output
Max)
|
|
3. |
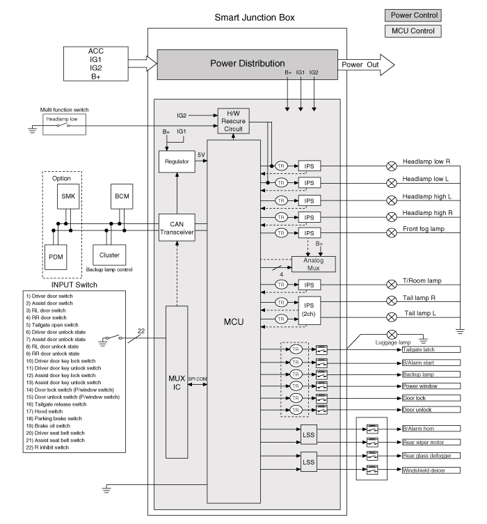
Block Diagram

|
4. |
SJB Main Functions
(1) |
Lamp control and wire protection through
IPS . |
(2) |
When Reference Voltage exceeded, PWM
normal voltage control to prevent lamp loss or damage
|
(3) |
CAN outpout for switch signal input
. |
(4) |
Diagnosis using CAN (Short to GND, Open
Circuit) |
(5) |
Fail Safe lamp
control. |
NO
|
Section
|
Content
|
1
|
Enter
Input SW
|
Receive switch input and send switch status as CAN
message to each module
|
2
|
Lamp
Control (IPS)
|
Receive commands from BCM as CAN message to control
Lamps with IPS
|
3
|
Internal Relay Control
|
Receive commands from BCM as CAN message and
control relays in the IP Box
|
T/Gate
latch, B/Alarm start, Backup, Rear Fog
lamp
|
4
|
External Relay Control
|
Receive commands from BCM as CAN message and
control relays outside of the IP Box
|
B/Alarm horn, Rear Wiper motor, Rear deffogger,
Front deicer
|
5
|
Low
Power Mode (Sleep
Mode)
|
When
there is no change in the CAN message or switch input for 5
seconds, converts to low-power mode (sleep
mode)
|
6
|
WakeUp
Mode
|
When
there is a change in the CAN message or Input switch in
low-power mode, converts to normal mode
|
7
|
Output
status send
|
Lamps
and Rear Fog output status sent to BCM as CAN
message
|
8
|
H/W
Rescure
|
When
MCU fails, and Head Lamp Low Switch is input, Head Lamp Low
Beam
activates
|
|
5. |
Network


|
6. |
CAN input & output flow




| |