TUCSON(LM) >2012 > G 2.4 DOHC > Body Electrical System > Fuses And Relays > Relay Box (Passenger Compartment)>Description and Operation  
Description
SJB (Smart Junction Box)
1.
Specification
Item
Requirement
Remark
Rated voltage
DC 12V
 
Voltage range
DC 8 ~ 16V
Normal operating in this range
Storage temperature
-40°C ~ +95°C
 
Operating temperature
-30°C ~ +85°C
 
Operating humidity
85%
PCB, Damp proofing, Coating, etc.
Dark current
Max. 200uA
All Load Open
Operation Voltage Range
DC 8 ~ 16V
Should activate normally in normal range
Max Use Humidity
85%
Regulated together with parts needing insulation such as PCB, damp-proofing, coating, etc
Insulation Resistance
Should be no ignition caused by electrical shorts


2.
Rated Burden
Item
Rated Burden
Head Lamp Low LH
55W
Head Lamp Low RH
55W
Head Lamp High LH
60W (Max)
Head Lamp High RH
60W (Max)
Tail Lamp LH
41W(Max)
Tail Lamp RH
31W(Max)
Front Fog Lamp LH+RH
54W
Interior Lamp
45W
B/Alarm Start Relay Coil Control
0.9W
RR FOG Relay Coil Control
0.6W
Tail Gate Latch or Luggage Room Lamp (Power Tail Gate) Relay Coil Control
0.6W
Back Up Relay Coil Control
0.45W
RR Wiper Relay Coil Control (External)
12W (Output Max)
B/Alarm Horn Relay Coil Control (External)
12W (Output Max)
RR.HTD Relay Coil Control (External)
12W (Output Max)
Front Deicer Relay Coil Control (External)
12W (Output Max)

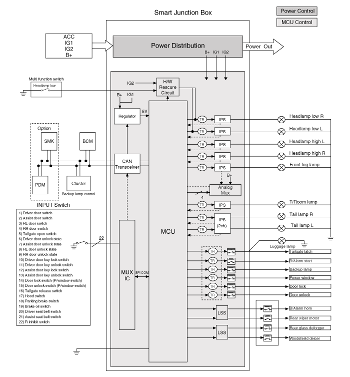
3.
Block Diagram

4.
SJB Main Functions
(1)
Lamp control and wire protection through IPS .
(2)
When Reference Voltage exceeded, PWM normal voltage control to prevent lamp loss or damage
(3)
CAN outpout for switch signal input .
(4)
Diagnosis using CAN (Short to GND, Open Circuit)
(5)
Fail Safe lamp control.
NO
Section
Content
1
Enter Input SW
Receive switch input and send switch status as CAN message to each module
2
Lamp Control (IPS)
Receive commands from BCM as CAN message to control Lamps with IPS
3
Internal Relay Control
Receive commands from BCM as CAN message and control relays in the IP Box
T/Gate latch, B/Alarm start, Backup, Rear Fog lamp 
4
External Relay Control
Receive commands from BCM as CAN message and control relays outside of the IP Box
B/Alarm horn, Rear Wiper motor, Rear deffogger, Front deicer
5
Low Power Mode
(Sleep Mode)
When there is no change in the CAN message or switch input for 5 seconds, converts to low-power mode (sleep mode)
6
WakeUp Mode
When there is a change in the CAN message or Input switch in low-power mode, converts to normal mode
7
Output status send
Lamps and Rear Fog output status sent to BCM as CAN message
8
H/W Rescure
When MCU fails, and Head Lamp Low Switch is input, Head Lamp Low Beam activates

5.
Network

6.
CAN input & output flow